Описание

В приборах «С2000» и «С2000М» есть интерфейс RS232 (клеммы TxD и RxD или DTR), к которому можно было подключать принтер, на принтер «С2000М» может печатать события. Вместо принтера можно подключить Контакт GSM-5 RT3 (light), который будет принимал события, сохранять их в своей энергонезависимой памяти и транслировать далее по настроенным каналам связи.

«С2000М» отличается от «С2000» переименованием клеммы "DTR" в "RxD". Суть не поменялась - клемма "DTR" - ожидание готовности передачи данных. Если на клемме будет +12В, то это означает что принтер (или Контакт GSM-5 RT3 (light), который эмулирует принтер) готов к печати. Без подачи +12В на "DTR"("RxD") «С2000(М)» не будет печатать на принтер.

Приборы «С2000» и «С2000М» могут использовать интерфейс RS232 для передачи событий на ПК в ПО «ОРИОН». Ограничение интерфейса RS232 не позволяет подключать «С2000(М)» одновременно к ПК и к принтеру (Контакт GSM-5 RT3 (light)). Если RS232 «С2000(М)» уже занят для работы с ПО «ОРИОН», то вы можете использовать «С2000-ПП» для передачи событий из Болид в Контакт GSM-5 RT3 (Контакт GSM-5 RT3 light) или в Мега с расширителем RT3.

Подключение «С2000М исп.02» - смотрите в инструкции по монтажу.

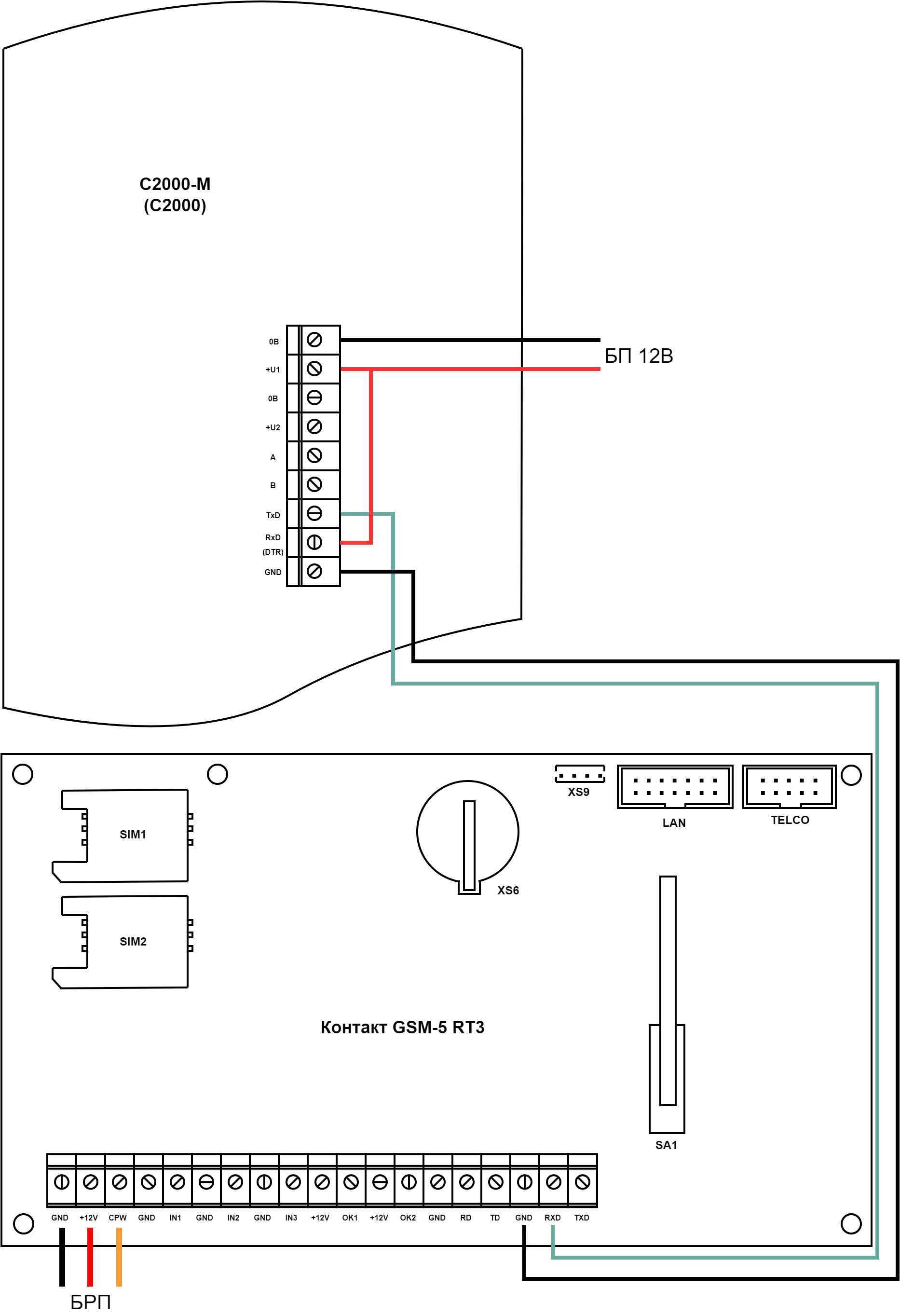
Подключение «С2000(М)» к Контакт GSM-5 RT3

Интерфейс RS232 ограничивает длину линии в 15 метров.

Выключите питание Контакт GSM-5 RT3 и «С2000(М)».

Подключите «С2000(М)» к Контакт GSM-5 RT3 согласно схеме.

  • Клемму "0В" «С2000(М)» подключите к "GND" и источника питания 12В;
  • Клемму "+U1" «С2000(М)» подключите к "+12В" источника питания 12В;
  • Клемму "DTR(RxD)" «С2000(М)» соедините с "+12В" источника питания;
  • Клемму "TxD" «С2000(М)» соедините с "RXD" Контакт GSM-5 RT3;
  • Клемму "GND" «С2000(М)» соедините с "GND" Контакт GSM-5 RT3.
С2000(М)Контакт GSM-5 RT3
DTR(RxD) к источнику питания +12В
TxDRXD
GNDGND


Не используйте источник питания ⎓24В! На клемму DTR (RxD) можно подавать не более +12В!